Стальные DN 65-200 (схема 8) с заслонкой регулирующей
Описание
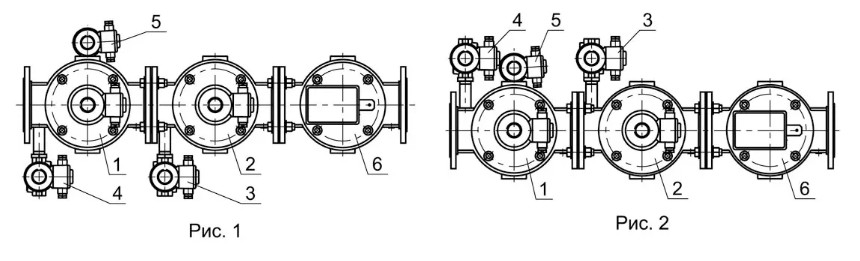
Блок (рис. 1, 2) состоит из следующих основных узлов и деталей:
- основного запорного клапана 1;
- рабочего клапана 2;
- клапана свечи безопасности 3;
- клапана запальной горелки 4;
- клапана контроля плотности 5
- заслонки регулирующей 6.
Клапан запальной горелки может располагаться:
- справа по ходу газа (рис. 1);
- слева по ходу газа (рис. 2).
Материал корпусов основных клапанов (поз. 1, 2):
- сталь - для DN 65-200;
- чугун - для DN 150-200.
Материал корпусов обвязочных клапанов (поз. 3, 4, 5) - сталь; возможно исполнение из алюминиевого сплава.
Материал корпуса заслонки регулирующей (поз. 6) - сталь.
При заказе блока необходимо обязательно указать исполнение: СТАЛЬ.

Технические характеристики

| Обозначение | Номинальный диаметр DN | №, тип клапана в схеме | Основные размеры, мм, не более | Масса, кг, не более | ||||||||
| L | B* | H | A | L1 | L2 | B1 | ||||||
| мм | дюймы | |||||||||||
| С2½Н-5-48 ЗР ... | 65 | 2½ | 1) ВН2½Н-1 ст. фл. (К, П) 2) ВН2½Н-1 ст. (П) 3) ВФ¾Н-4 ст. (П) |
4) ВН½Н-4 ст. (П) 5) ВН½НБ-4 ст. (П) 6) ЗР2½-6 ПР. ст. |
810 | 315 | 385 | 94 | 45 | 180 | 215 | 58 |
| С3Н-5-40 ЗР ... | 80 | 3 | 1) ВН3Н-1 ст. фл. (К, П) 2) ВН3Н-1 ст. (П) 3) ВФ¾Н-4 ст. (П) |
4) ВН½Н-4 ст. (П) 5) ВН½НБ-4 ст. (П) 6) ЗР3-6 ПР. ст. |
930 | 340 | 405 | 112 | 37 | 236 | 220 | 86 |
| С4Н-5-43 ЗР ... | 100 | 4 | 1) ВН4Н-1 ст. фл. (К, П) 2) ВН4Н-1 ст. (П) 3) ВФ¾Н-4 ст. (П) |
4) ВН½Н-4 ст. (П) 5) ВН½НБ-4 ст. (П) 6) ЗР4-6 ПР. ст. |
1050 | 355 | 425 | 121 | 50 | 250 | 235 | 97 |
| С5Н-5-170 ЗР ... | 125 | 5 | 1) ВН5Н-1 ст. фл. (К, П) 2) ВН5Н-1 ст. (П) 3) ВФ¾Н-4 ст. (П) |
4) ВН½Н-4 ст. (П) 5) ВН½НБ-4 ст. (П) 6) ЗР5-6 ПР. ст. |
1200 | 400 | 670 | 165 | 50 | 300 | 245 | 170 |
| С6Н-5-66 ЗР ... | 150 | 6 | 1) ВН6Н-1 ст. фл. (К, П) 2) ВН6Н-1 ст. (П) 3) ВФ1Н-4 ст. (П) |
4) ВН½Н-4 ст. (П) 5) ВН½НБ-4 ст. (П) 6) ЗР6-6 ПР. ст. |
1415 | 425 | 705 | 175 | 70 | 330 | 255 | 290 |
| С8Н-5-67 ЗР ... | 200 | 8 | 1) ВН8Н-1 ст. фл. (К, П) 2) ВН8Н-1 ст. (П) 3) ВФ1Н-4 ст. (П) |
4) ВН½Н-4 ст. (П) 5) ВН½НБ-4 ст. (П) 6) ЗР8-6 ПР. ст. |
1805 | 505 | 795 | 230 | 80 | 440 | 285 | 430 |
* Габаритный размер "В" (ширина) приведен для правого исполнения блоков (рис. 1). Для левого исполнения блоков (рис. 2) данный размер необходимо уменьшить на 75 мм.
Сертификаты / Документы
- Блоки клапанов в стальном корпусе
- Декларация ТР ТС 004/2011 Клапаны электромагнитные (схема 1Д)
- Декларация ТР ТС 010/2011 Клапаны электромагнитные (схема 5Д)
- Декларация ТР ТС 020/2011 Клапаны электромагнитные (схема 1Д)
- Декларация ТР ТС 032/2011 Клапаны электромагнитные (схема 1Д)
- Декларация ТР ТС 004/2011 Заслонки регулирующие (схема 1Д)
- Декларация ТР ТС 032/2013 Заслонки регулирующие (схема 1Д)

